中大电机官网-行星减速机_直流无刷减速电机_调速电机制造厂家-广东中大力德智能传动设备有限公司

0769-28829612158-9968-0461

机器人减速器

机器人减速器品种齐全,现货多,供货快

联系我们

电话:0769-28829612

电话:158-9968-0461

网址:www.gdzd-motor.com

邮箱:75031698@qq.com

地址:广东省东莞市道滘镇蔡白阳光路23号

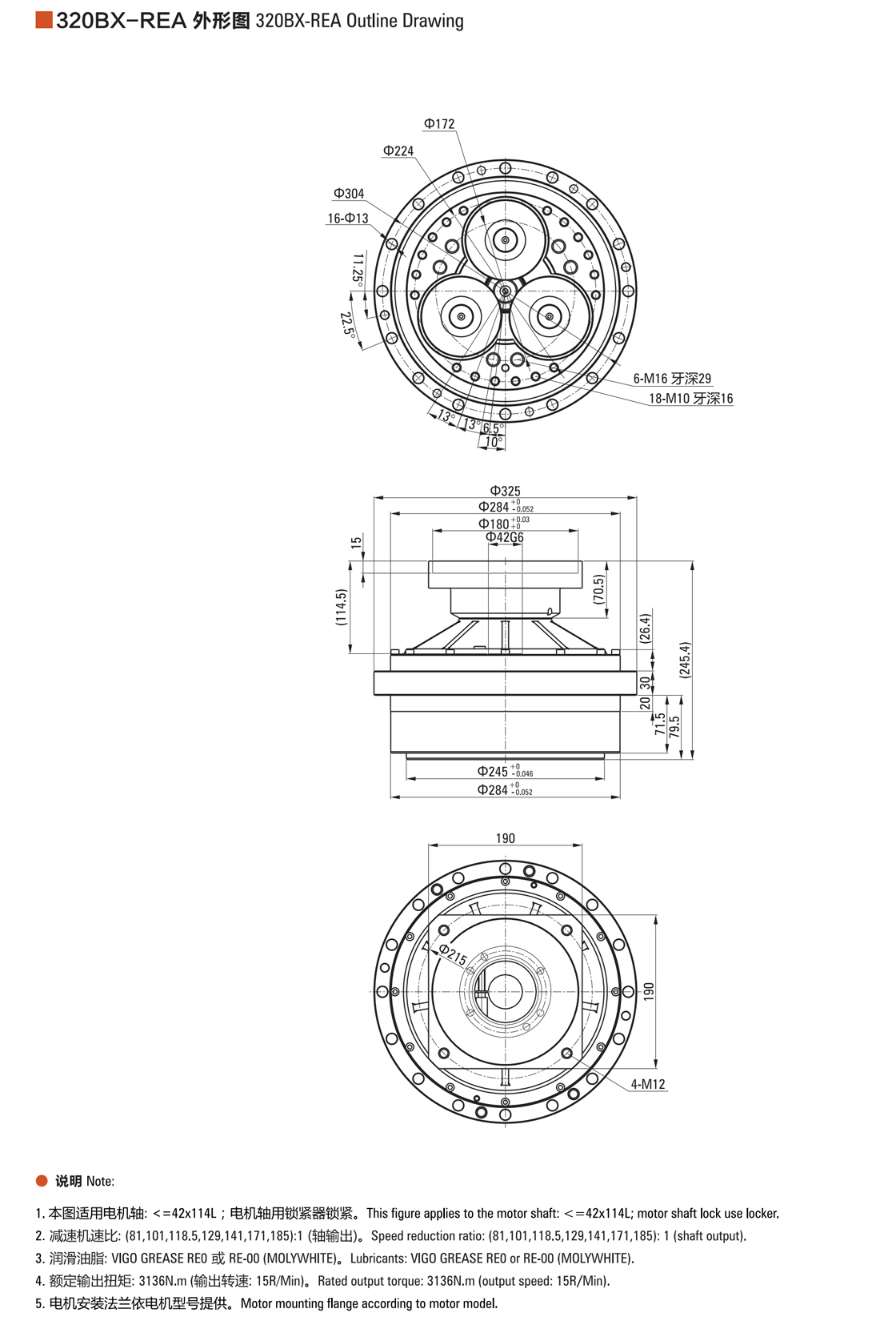
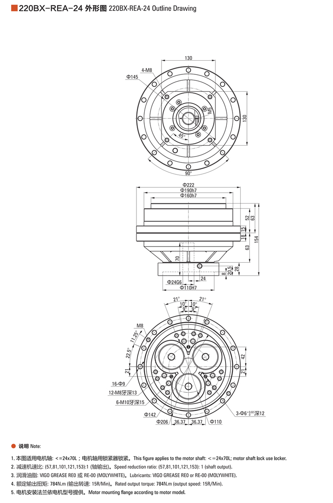
  • BX-REA

BX-REA

产品分类:机器人减速器
产品简介:

全国免费服务电话:0769-28829612

在线预定
分享至:
产品概述